Гидравлическая лебедка
Серия ZJJ08A

Технические параметры
| Гидравлические лебедки с разгрузкой |
|
|
|
|
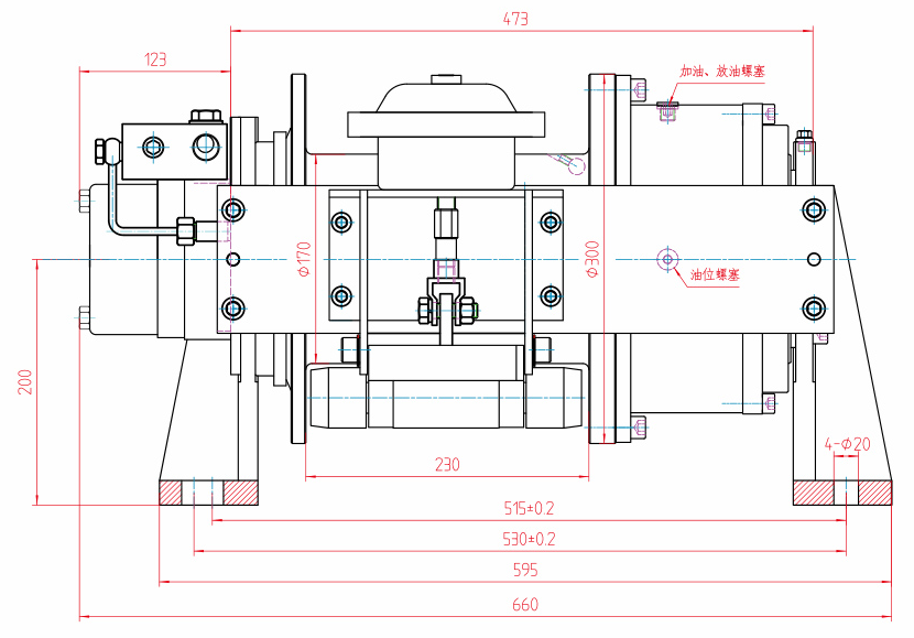
| Модель продукта | Вместимость (T) | скорость потока | Одиночный канат на первом уровне | Скорость каната первого слоя | Диаметр каната | производительность струны | рабочее давление | Длина*Ширина*Высота | повторение |
| ZJJ06MBR80 | 6 | 60 | 60 | 9 | 11 | 21 | 14 | 538*372*251 | 58 |
| ZJJ08AY2MBER160FD10 | 8 | 60 | 78 | 7.5 | Φ16 | 35 | 17 | 660*560*350 | 160 |
| ZJJ08BMBER160FD10 | 8 | 60 | 98 | 6 | Φ15 | 40 | 14 | 620*456*276 | 145 |
| ZJJ10YMB5160AFD5 | 10 | 60 | 98 | 7 | Φ18 | 60 | 17 | 1075*650*405 | 255 |
| ZJJ15YMB5250AFD5 | 15 | 110 | 147 | 6 | Φ22 | 70 | 16 | 1116*642*420 | 316 |
| ZJJ20Y2MB6315BFD3 | 20 | 120 | 196 | 6 | Φ26 | 60 | 17 | 1162*650*420 | 350 |
| ZJJ25Y1MB6315BFD3 | 25 | 120 | 245 | 5.5 | Φ30 | 55 | 18 | 1236*610*550 | 608 |
| ZJJ30BY1MG2300D240101 | 30 | 120 | 300 | 8.5 | Φ30 | 77 | 18 | 1266*1075*710 | 1200 |
Примечание. Габаритные размеры, размер интерфейса двигателя, передаточное число и т. д. могут быть рассчитаны по мере необходимости.