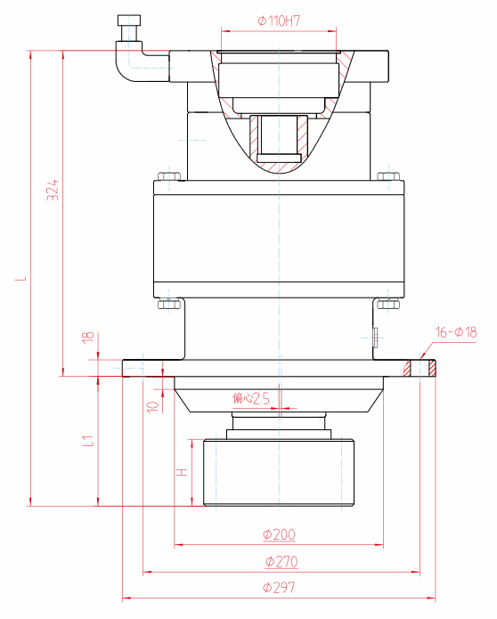
Роторный редуктор
Серия ZJH26

Технические параметры
| Автомобильный поворотный редуктор |
|
|
| Модель продукта | Вместимость (T) | Максимальный выходной крутящий момент (Н-м) | Максимальная выходная скорость | передаточное число | тормозной момент | гидравлический двигатель | Длина*Ширина*Высота | повторение |
| ZJHX20 | 6 | 2000 | 23 | 6 | 365 | BM3-400 | 260*Φ235 | 50 |
| ZJH22 | 6 | 2200 | 17.4 | 23 | 128 | BM3-125 BM3-160 | 352*Φ235 | 55 |
| XJHX26 | 8~10 | 3175 | 42 | 51 | 210 | A2F55W2Z2 | 400*Φ280 | 60 |
| XJH26N | 8~10 | 3175 | 25 | 72 | 196 | ZM40 A2F28W6.1 | 424*Φ285 | 85 |
| XJHX28G | 8~10 | 2800 | 15 | 27.6 | 330 | BM2-125 | 396*Φ285 | 77 |
| XJH35 | 10~12 | 4400 | 45 | 40.8/52.8 | 210 | A2F55W2Z2 | 386*Φ285 | 65 |
| ZJH40N2 | 12 | 5600 | 23 | 20.3 | 500 | BM5-200 | 430*Φ297 | 72 |
| ZJH40E5(46) | 12 | 5600 | 25 | 45.8 | 210 | A2F55W2Z2 | 445*Φ320 | 78 |
| ZJH46A | 12 | 5600 | 25 | 63.8 | 196 | ZM40 | 452*Φ297 | 85 |
| XJH55 | 25~50 | 7100 | 35 | 51.8 | 210 | A2F55W2Z2 | 441*Φ320 | 90 |
| ZJHX50C | 12~16 | 6250 | 25 | 88 | 210 | A2F28W3Z1 | 537*Φ320 | 110 |
| ZJH60 | 20~40 | 9000 | 35 | 90.2 | 155 | A2F28W3Z1 | 515*Φ320 | 120 |
| ZJH75A | 25~50 | 11500 | 35 | 70 | 210 | ZM-40 XM-F40L A2F28W6.1Z1 A2F28W3Z1 | 530*Φ320 | 130 |
| ZJH85A | 25~50 | 11500 | 30 | 97.4 | 210 | ZM-40 XM-F40L A2F28W6.1Z1 A2F28W3Z1 | 530*Φ320 | 130 |
| ZJHX90 | 25~50 | 11500 |
|
|
| ZM-40 XM-F40L A2F28W6.1Z1 A2F28W3Z1 | 530*Φ320 | 130 |
| ZJH90 | 25~80 | 13500 | 26 | 33.1/89 103 | 500 | A2F28W6.1Z1 ZM-F40 A2F80W2Z2 A2F28W3Z1 | 540*Φ320 | 130 |
| ZJH100 |
|
|
| OMR-160 |
|
|
| ZJH125 | 50~80 | 16000 | 35 | 80.6/101.8 | 260 | A2F55W2Z2 | 620*Φ410 | 220 |
| ZJH160 | 50~100 | 26000 | 26.8 | 68 79.2 80.4 101.95 117.4 132 | 450 | A2F63W2Z2 A2FE-56/61W A2FE63/61W-VZL A2F80W2Z2 | 665*Φ440 | 260 |
| ZJH200 | 80~100 | 26000 | 25 | 102.7 | 510 | A2F63W2Z2 | 705*Φ380 | 216 |
| ZJH380 | 100~160 | 38000 | 25 | 147.4 | 386 | A2FE160 | 895*Φ411 | 330 |
| ZJH450 | 160~200 | 45000 | 25 | 106.7 | 350 | A2F55W2Z2 | 740*Φ470 | 342 |
| ZJH600 | 350 | 66000 | 25 | 78/100/128/151/186 | 620 | A2FE107/125/160 | 1070*Φ580 | 700 |
Уведомление:
1. Габаритные размеры, размер интерфейса двигателя, передаточное число, выходная передача и т. д. могут быть спроектированы по мере необходимости.
2. Направления входа и выхода редуктора одинаковы.