Роторный редуктор
Серия ZJHS45G4

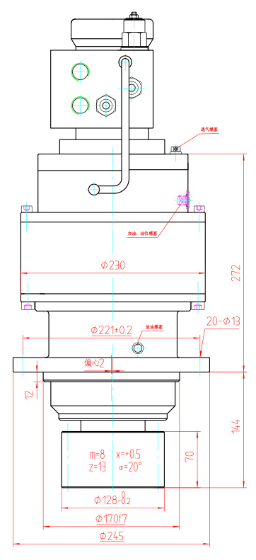
Поворотный механизм ZJHS45G4
| Редуктор поворота для автокрана |
|
|
|
| Модель продукта | способности | Максимальный выходной крутящий момент | Номинальная выходная скорость | передаточное число | рабочее давление | гидравлический двигатель | Номинальный расход | Длина*Ширина*Высота | повторение |
| ZJHS22D1AMBR80FS3 | 6~7 | 2500 | 14 | 23.25 | 11 | BMR-80 | 60 | Φ230*491 | 56 |
| XJHS25AZMPW160FS1 | 8 | 3000 | 15 | 20.5 | 8 | ZMPW-160 | 60 | Φ212*474 | 70 |
| ZJHS25D1MBPW400FS1 | 8 | 3125 | 15 | 6.75 | 10 | BMPW-400 | 60 | Φ215*468 | 62 |
| ZJHS25A8MBPW400FS1 | 8 | 3125 | 15 | 6.75 | 10 | BMPW-400 | 60 | Φ240*488 | 67 |
| XJHS35FZMPW160FS1 | 8~10 | 4375 | 15 | 20 | 10 | ZMPW-160 | 60 | Φ222*485 | 62 |
| XJHS40C3MBPW160FS1 | 12 | 5000 | 10.5 | 19.3 22.5 | 11 | BMPW-160 BMPW-200 BMPW-250 | 60 | Φ230*436 | 68 |
| ZJHS40A3MBPW250FS1 | 12 | 5000 | 10.5 | 19.3 22.5 | 9 | BMPW-160 BMPW-200 BMPW-250 | 60 | Φ230*503 | 70 |
| XJHX45A2AMB5250GFS4 | 12 | 5500 | 15 | 27.6 | 10 | BMR-160 BMR-200 BM5-200 BM5-250 | 60 | 555*Φ230 | 80 |
| XJHS45J1MBER200FS5 | 12~14 | 5500 | 13 | 19.3 22.5 | 14 | BMER-125 BMER-160 BMER-200 BMER-250 | 60 | Φ230*532 | 80 |
| ZJHS45C |
|
| ZJHS45G | BMR-250 BMR-315 |
| ZJHS55DMBER160FS5 | 14~16 | 6800 | 9 | 25.5 | 10 | BMER-160 BMER-200 BMER-250 | 45 | Φ245*540 | 90 |
| ZJHS75A1MBPW160FS1 | 18~20 | 7600 | 11 | 30 | 14 | ZMPW-160 ZMPW-200 ZMPW-250 | 60 | Φ320*570 | 126 |
| ZJHS100EMBER200FS5 | 18~20 | 12000 | 11 | 33.1 | 14 | ZMPW-160 ZMPW-200 ZMPW-250 BMER-160 BMER-200 BMER-250 | 60 | Φ320*615 | 130 |
Примечание:
1. Габаритные размеры, размер интерфейса двигателя, передаточное число, выходная передача и т. д. могут быть спроектированы по мере необходимости.
2. Направления входа и выхода редуктора одинаковы.